Product Summary
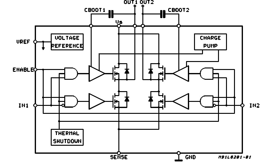
The L6203 is a full bridge driver for motor control applications realized in Multipower-BCD technology which combines isolated DMOS power transistors with CMOS and Bipolar circuits on the same chip. By using mixed technology it has been possible to optimize the logic circuitry and the power stage to achieve the best possible performance. The DMOS output transistors can operate at supply voltages up to 42V and efficiently at high switching speeds. All the logic inputs of the L6203 are TTL, CMOS and mC compatible. Each channel (half-bridge) of the L6203 is controlled by a separate logic input, while a common enable controls both channels. The I.C. is mounted in three different packages.
Parametrics
L6203 absolute maximum ratings: (1)Vs Power Supply: 52 V; (2)VOD Differential Output Voltage (between Out1 and Out2): 60 V; (3)VIN, VEN Input or Enable Voltage: – 0.3 to + 7 V; (4)Io Pulsed Output Current: 10A; (5)Vsense Sensing Voltage: – 1 to + 4 V; (6)Vb Boostrap Peak Voltage 60 V; (7)Ptot Total Power Dissipation:20W; (8)Tstg, Tj Storage and Junction Temperature: – 40 to + 150 ℃.
Features
L6203 features: (1)supply voltage up to 48v; (2)5A max peak current (2a max. for l6201); (3)total rms current up to; (4)l6201: 1a; l6202: 1.5a; l6203/l6201ps: 4a; (5)rds (on)0.3 w (typical value at 25 ℃); (6)cross conduction protection; (7)ttl compatible drive; (8)operating frequency up to 100 khz; (9)thermal shutdown; (10)internal logic supply; (11)high efficiency.
Diagrams

| Image | Part No | Mfg | Description | ![]() |
Pricing (USD) |
Quantity | ||||||||||||
|---|---|---|---|---|---|---|---|---|---|---|---|---|---|---|---|---|---|---|
![]() |
![]() L6203 |
![]() STMicroelectronics |
![]() Motor / Motion / Ignition Controllers & Drivers DMOS Full Bridge |
![]() Data Sheet |
![]()
|
|
||||||||||||
| Image | Part No | Mfg | Description | ![]() |
Pricing (USD) |
Quantity | ||||||||||||
![]() |
![]() L6201 |
![]() STMicroelectronics |
![]() Motor / Motion / Ignition Controllers & Drivers DMOS Full Bridge |
![]() Data Sheet |
![]()
|
|
||||||||||||
![]() |
![]() L6201013TR |
![]() STMicroelectronics |
![]() Motor / Motion / Ignition Controllers & Drivers DMOS Full Bridge |
![]() Data Sheet |
![]()
|
|
||||||||||||
![]() |
![]() L6201-L6202 - L6203 |
![]() Other |
![]() |
![]() Data Sheet |
![]() Negotiable |
|
||||||||||||
![]() |
![]() L6201PS |
![]() STMicroelectronics |
![]() Motor / Motion / Ignition Controllers & Drivers DMOS Full Bridge |
![]() Data Sheet |
![]()
|
|
||||||||||||
![]() |
![]() L6201PSTR |
![]() STMicroelectronics |
![]() Motor / Motion / Ignition Controllers & Drivers DMOS Full Bridge |
![]() Data Sheet |
![]()
|
|
||||||||||||
![]() |
![]() L6202 |
![]() STMicroelectronics |
![]() Motor / Motion / Ignition Controllers & Drivers DMOS Full Bridge |
![]() Data Sheet |
![]()
|
|
||||||||||||
(China (Mainland))










