Product Summary
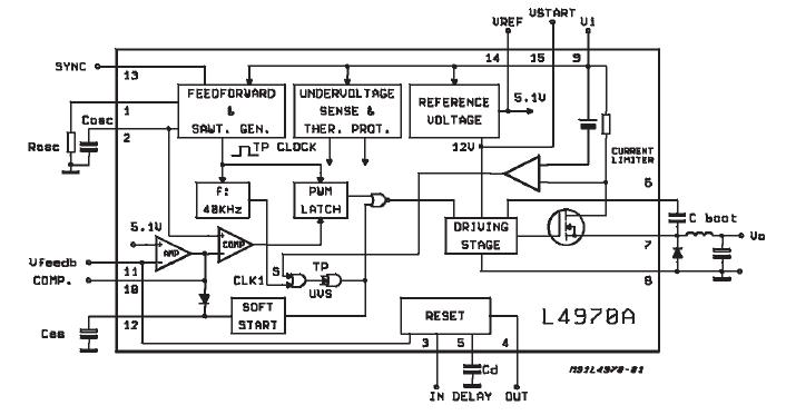
The L4970A is a stepdown monolithic power switching regulator delivering 10A at a voltage variable from 5.1 to 40V. Realized with BCD mixed technology, the device uses a DMOS output transistor to obtain very high efficiency and very fast switching times. Features of the L4970A include reset and power fail for microprocessors, feed forward line regulation, soft start, limiting current and thermal protection. The device is mounted in a 15-lead multiwatt plastic power package and requires few external components. Efficient operation at switching frequencies up to 500KHz allows reduction in the size and cost of external filter components.
Parametrics
L4970A absolute maximum ratings: (1)Input Voltage, V9: 55V; (2)Input Operating Voltage, V9: 50V; (3)Output DC Voltage, V7: -1V; Output Peak Voltage at t = 0.1ms f = 200KHz, V7: -7V; (4)Maximum Output Current, I7: Internally Limited; (5)Bootstrap Voltage, V6: 65V; Bootstrap Operating Voltage, V6: V9 + 15V; (6)Input Voltage at Pins 3, 12, V3, V12: 12V; (7)Reset Output Voltage, V4: 50V; (8)Reset Output Sink Current, I4: 50 mA; (9)Input Voltage at Pin 5, 10, 11, 13, V5, V10, V11, V13: 7V; (10)Reset Delay Sink Current, I5: 30 mA; (11)Error Amplifier Output Sink Current, I10: 1A; (12)Soft Start Sink Current, I12: 30mA; (13)Total Power Dissipation at Tcase < 120℃, Ptot: 30W; (14)Junction and Storage Temperature, Tj, Tstg: -40 to 150℃.
Features
L4970A features: (1)10A Output current; (2)5.1V to 40V output voltagerange; (3)0 TO 90% Duty cycle range; (4)Internal feed-forward line regulation; (5)Internal current limiting; (6)Precise 5.1V ± 2% on chip reference; (7)Reset and power fail functions; (8)Soft start; (9)Input/Output sync pin; (10)Under voltage lock out with hysteretic turn-on; (11)Pwm latch for single pulse per period; (12)Veryhigh efficiency; (13)Switching frequency up to 500KHz; (14)Thermal shutdown; (15)Continuous mode operation.
Diagrams

| Image | Part No | Mfg | Description | ![]() |
Pricing (USD) |
Quantity | ||||||||||||
|---|---|---|---|---|---|---|---|---|---|---|---|---|---|---|---|---|---|---|
![]() |
![]() L4970A |
![]() STMicroelectronics |
![]() Switching Converters, Regulators & Controllers 5.1 to 40V Step-Down |
![]() Data Sheet |
![]()
|
|
||||||||||||
| Image | Part No | Mfg | Description | ![]() |
Pricing (USD) |
Quantity | ||||||||||||
![]() |
![]() L497 |
![]() Other |
![]() |
![]() Data Sheet |
![]() Negotiable |
|
||||||||||||
![]() |
![]() L4970A |
![]() STMicroelectronics |
![]() Switching Converters, Regulators & Controllers 5.1 to 40V Step-Down |
![]() Data Sheet |
![]()
|
|
||||||||||||
![]() |
![]() L4971 |
![]() STMicroelectronics |
![]() Switching Converters, Regulators & Controllers 3.3 to 50V Step-Down |
![]() Data Sheet |
![]()
|
|
||||||||||||
![]() |
![]() L4971D |
![]() STMicroelectronics |
![]() Switching Converters, Regulators & Controllers 3.3 to 50V Step-Down |
![]() Data Sheet |
![]()
|
|
||||||||||||
![]() |
![]() L4971D013TR |
![]() STMicroelectronics |
![]() Switching Converters, Regulators & Controllers 3.3 to 50V Step-Down |
![]() Data Sheet |
![]()
|
|
||||||||||||
![]() |
![]() L4972A |
![]() STMicroelectronics |
![]() Switching Converters, Regulators & Controllers 5.1 to 40V 2.0 Amp |
![]() Data Sheet |
![]()
|
|
||||||||||||
(China (Mainland))










