Product Summary
The 2N5109 is a silicon NPN transistor, designed for VHF and UHF equipment. Applications include amplifier; pre-driver, driver, and output stages. The 2N5109 is also suitable for oscillator and frequency-multiplier functions.
Parametrics
2N5109 absolute maximum ratings: (1)VCEO, Collector-Emitter Voltage: 20 Vdc; (2)VCBO, Collector-Base Voltage: 40 Vdc; (3)VEBO, Emitter-Base Voltage: 3.0 Vdc; (4)IC, Collector Current: 400 mA.
Features
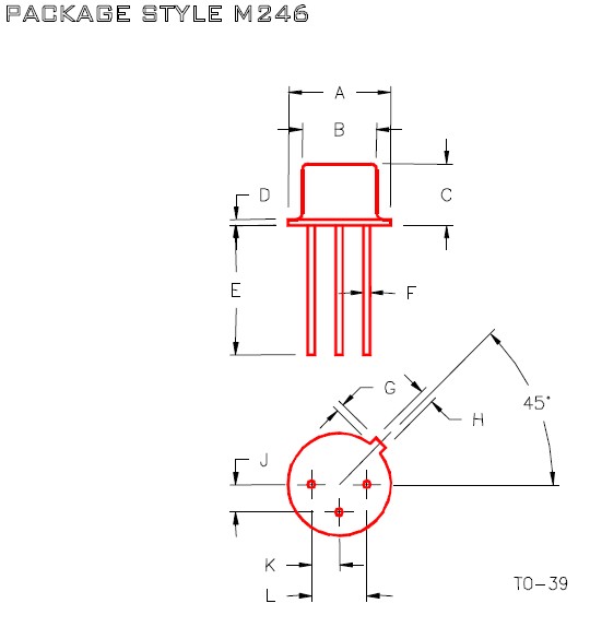
2N5109 features: (1)Silicon NPN, To-39 packaged VHF/UHF Transistor; (2)1.2 GHz Current-Gain Bandwidth Product @ 50mA; (3)Maximum Unilateral Gain = 12dB (typ) @ 200 MHz.
Diagrams

| Image | Part No | Mfg | Description | ![]() |
Pricing (USD) |
Quantity | ||||||||||||
|---|---|---|---|---|---|---|---|---|---|---|---|---|---|---|---|---|---|---|
![]() |
![]() 2N5109 |
![]() Central Semiconductor |
![]() Transistors Bipolar (BJT) NPN Wide Bd AM |
![]() Data Sheet |
![]()
|
|
||||||||||||
![]() |
![]() 2N5109UB |
![]() Other |
![]() |
![]() Data Sheet |
![]() Negotiable |
|
||||||||||||
(China (Mainland))










