Product Summary
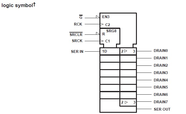
The TPIC6A595DW is a monolithic, high-voltage, high-current power logic 8-bit shift register designed for use in systems that require relatively high load power. The TPIC6A595DW contains a built-in voltage clamp on the outputs for inductive transient protection. Power driver applications include relays, solenoids, and other medium-current or high-voltage loads. Each open-drain DMOS transistor features an independent chopping current-limiting circuit to prevent damage in the case of a short circuit. The TPIC6A595DW contains an 8-bit serial-in, parallel-out shift register that feeds an 8-bit, D-type storage register.
Parametrics
TPIC6A595DW absolute maximum ratings: (1)Logic supply voltage, VCC: 7 V; (2)Logic input voltage range, VI: -0.3 V to 7 V; (3)Power DMOS drain-to-source voltage, VDS: 50 V; (4)Continuous source-drain diode anode current: 1 A; (5)Pulsed source-drain diode anode current: 2 A; (6)Pulsed drain current, each output, all outputs on, IDn, TA = 25℃: 1.1 A; (7)Continuous drain current, each output, all outputs on, IDn, TA = 25℃: 350 mA; (8)Peak drain current, single output, TA = 25℃: 1.1 A; (9)Single-pulse avalanche energy, EAS: 75 mJ; (10)Avalanche current, IAS: 600 mA; (11)Operating case temperature range, TC: -40℃ to 125℃; (12)Operating virtual junction temperature range, TJ: -40℃ to 150℃; (13)Storage temperature range, Tstg: -65℃ to 150℃; (14)Lead temperature 1,6 mm (1/16 inch) from case for 10 seconds: 260℃.
Features
TPIC6A595DW features: (1)Low rDS(on): 1 Ω Typ; (2)Output Short-Circuit Protection; (3)Avalanche Energy: 75 mJ; (4)Eight 350-mA DMOS Outputs; (5)50-V Switching Capability; (6)Devices Are Cascadable; (7)Low Power Consumption.
Diagrams

| Image | Part No | Mfg | Description | ![]() |
Pricing (USD) |
Quantity | ||||||||||||
|---|---|---|---|---|---|---|---|---|---|---|---|---|---|---|---|---|---|---|
![]() |
![]() TPIC6A595DW |
![]() Texas Instruments |
![]() Counter Shift Registers 8bit Shift |
![]() Data Sheet |
![]()
|
|
||||||||||||
![]() |
![]() TPIC6A595DWG4 |
![]() Texas Instruments |
![]() Counter Shift Registers 8-BIT SHIFT REGISTER |
![]() Data Sheet |
![]()
|
|
||||||||||||
![]() |
![]() TPIC6A595DWRG4 |
![]() Texas Instruments |
![]() Counter Shift Registers 8-BIT SHIFT REGISTER |
![]() Data Sheet |
![]()
|
|
||||||||||||
![]() |
![]() TPIC6A595DWR |
![]() Texas Instruments |
![]() Counter Shift Registers 8 BIT SHIFT REGISTER |
![]() Data Sheet |
![]()
|
|
||||||||||||
(China (Mainland))









