Product Summary
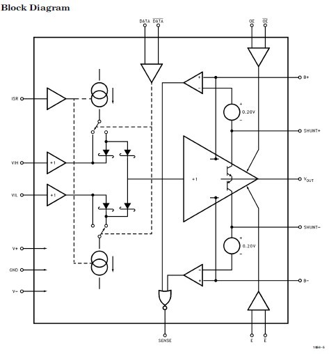
The EL1056ACM is designed to drive highquality test signals into close or terminated loads. It has a dispersion of 250ps or less — whether due to signal size or direction of edge. The EL1056ACM can output a very wide 24V output span, encompassing all logic families as well as analog levels. The EL1056ACM is fabricated in Elantec’s oxide isolated process, which eliminates the possibility of latch-up and provides a very durable circuit.
Parametrics
EL1056ACM absolute maximum ratings: (1)VS Voltage between V+ and V-: +33V; (2)V- Supply Voltage: 18V; (3)B+ Supply Voltage: VINH to V+; (4)B- Supply Voltage: V- to VINL; (5)ISR Input Current: 0mA to 3mA; (6)VSR Input Voltage, Power-Down Mode: -0.3V to +6V; (7)Shunt+ Input Voltage: (B+) -5V to B+; (8)Shunt- Input Voltage: B- to (B-) +5V; (9)Data, Data Input Voltages : V- to V+ or ±6V Differential; (10)OE, OE Input Voltages: V- to V+ or ±6V Differential; (11)E, E Input Voltages: V- to V+ or ±6V Differential; (12)Sense Output Voltage: V- to V+; (13)VINH Input Voltage, VINL -0.3V to B+; (14)VINL Input Voltage: B- to VINH +0.3V; (15)IOUT Output Current: -60mA to +60mA; (16)TJ Junction Temperature: 150℃; (17)TA Operating Ambient Temperature Range:0℃ to +75℃; (18)TST Storage Temperature: -65℃ to +150℃; (19)PD Power Dissipation (TA = 25℃): 3.1W.
Features
EL1056ACM features: (1)Wide ±12V output levels; (2)250ps dispersion; (3)3ns delay times; (4)1V/ns slew rate—adjustable; (5)Low overshoot and aberrations in 50Ω systems; (6)Three-state output; (7)Power-down mode reduces output leakage to nanoamperes; (8)Overcurrent sense flag available to protect internal output devices; (9)Buffered analog inputs; (10)Differential logic inputs are compatible with ECL, TTL, and CMOS.
Diagrams

![]() |
![]() EL100D10-05 |
![]() Crydom |
![]() Solid State Relays PM IP00 SSR 100VDC 10A4-8VDC |
![]() Data Sheet |
![]()
|
|
||||||||||||
![]() |
![]() EL100D10-12 |
![]() Crydom |
![]() Solid State Relays PM IP00 SSR 100VDC 10A10-14VDC |
![]() Data Sheet |
![]()
|
|
||||||||||||
![]() |
![]() EL100D10-24 |
![]() Crydom |
![]() Solid State Relays PM IP00 SSR 100VDC 10A21-27VDC |
![]() Data Sheet |
![]()
|
|
||||||||||||
![]() |
![]() EL100D5-05 |
![]() Crydom |
![]() Solid State Relays PM IP00 SSR 100VDC 5A4-8VDC |
![]() Data Sheet |
![]()
|
|
||||||||||||
![]() |
![]() EL100D5-12 |
![]() Crydom |
![]() Solid State Relays PM IP00 SSR 100VDC 5A10-14VDC |
![]() Data Sheet |
![]()
|
|
||||||||||||
![]() |
![]() EL100D5-24 |
![]() Crydom |
![]() Solid State Relays PM IP00 SSR 100VDC 5A21-27VDC |
![]() Data Sheet |
![]()
|
|
||||||||||||
(China (Mainland))








