Product Summary
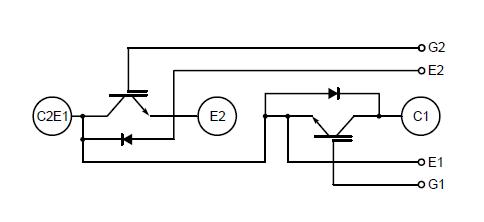
The CM300DU-12H Mitsubishi IGBT Module is designed for use in switching applications. It consists of two IGBTs in a half-bridge configuration with each transistor having a reverse-connected super-fast recovery free-wheel diode. All components and interconnects of CM300DU-12H are isolated from the heat sinking baseplate, offering simplified system assembly and thermal management. The applications of the CM300DU-12H include AC Motor Control, Motion/Servo Control, UPS, Welding Power Supplies.
Parametrics
CM300DU-12H absolute maximum ratings: (1)Junction Temperature: -40 to 150 ℃; (2)Storage Temperature: -40 to 125 ℃; (3)Collector-Emitter Voltage (G-E SHORT): 600 Volts; (4)Gate-Emitter Voltage (C-E SHORT): ±20 Volts; (5)Collector Current (Tc = 25℃): 300 Amperes; (6)Peak Collector Current (Tj ≤ 150℃): 600* Amperes; (7)Emitter Current** (Tc = 25℃): 300 Amperes; (8)Peak Emitter Current: 600* Amperes; (9)Maximum Collector Dissipation (Tc = 25℃): 890 Watts; (10)Mounting Torque, M6 Main Terminal: 3.5~4.5 N·m; (11)Mounting Torque, M6 Mounting: 3.5~4.5 N·m; (12)Weight: 400 Grams; (13)Isolation Voltage (Main Terminal to Baseplate, AC 1 min.): 2500 Vrms.
Features
CM300DU-12H features: (1)Low Drive Power; (2)Low VCE(sat); (3)Discrete Super-Fast Recovery Free-Wheel Diode; (4)High Frequency Operation; (5)Isolated Baseplate for Easy Heat Sinking.
Diagrams

| Image | Part No | Mfg | Description | ![]() |
Pricing (USD) |
Quantity | ||||||
|---|---|---|---|---|---|---|---|---|---|---|---|---|
![]() |
![]() CM300DU-12H |
![]() |
![]() IGBT MOD DUAL 600V 300A U SER |
![]() Data Sheet |
![]()
|
|
||||||
| Image | Part No | Mfg | Description | ![]() |
Pricing (USD) |
Quantity | ||||||
![]() |
![]() CM3002 |
![]() Other |
![]() |
![]() Data Sheet |
![]() Negotiable |
|
||||||
![]() |
![]() CM300DU-12F |
![]() |
![]() IGBT MOD DUAL 600V 300A F SER |
![]() Data Sheet |
![]()
|
|
||||||
![]() |
![]() CM300DU-12H |
![]() |
![]() IGBT MOD DUAL 600V 300A U SER |
![]() Data Sheet |
![]()
|
|
||||||
![]() |
![]() CM300DU-12NFH |
![]() |
![]() IGBT MOD DUAL 600V 300A NFH SER |
![]() Data Sheet |
![]()
|
|
||||||
![]() |
![]() CM300DU-24F |
![]() |
![]() IGBT MOD DUAL 1200V 300A F SER |
![]() Data Sheet |
![]()
|
|
||||||
![]() |
![]() CM300DU-24H |
![]() |
![]() IGBT MOD DUAL 1200V 300A U SER |
![]() Data Sheet |
![]()
|
|
||||||
(China (Mainland))









